ST自清洗過濾器
S系列自清洗過濾器
S系列自清洗過濾器是一種全自動自清洗水過濾器,過濾器網筒內安裝一套刷子,刷子由電機帶動旋轉,在過濾器端蓋上安裝一個電動排污閥。工作時,濁水由進水口進入過濾器濾筒內,通過不銹鋼楔形網過濾污物。凈水由出水口流出,當污物在濾網表面聚集過多時,造成過濾出水不暢,濾筒內部腔體壓力上升,當進出水的壓力差值達到一定值時(預先設定),壓差開關發出信號給控制器,控制器啟動減速機電機帶動刷子,旋轉刷除濾網表面的污物雜質。同時打開電動排污閥排出污物,清洗時間為20-120秒(可就地可設置)。清洗時無需斷流,排污壓力損失不超過0.5bar,流量損失不超過1%。


型號說明
例 S T M Y-200/10
S代表刷式清洗,T代表立式安裝,M代表臥式安裝,
Y代表在線安裝,200進出口徑,10代表公稱壓力。
控制系統
采用工業單片PLC自動控制,中文或英文顯示。可根據壓差或定時控制過濾器自動清洗,并可手動、強制清洗。現場可設定過濾時間、清洗時間。運行信號、清洗信號、故障信號輸出及485通訊接口。

動刷式自動清洗過濾器
過濾器殼體:碳鋼噴涂環氧樹脂粉末、不銹鋼、雙相鋼、碳鋼襯塑
濾網:不銹鋼、雙相鋼
清洗裝置:不銹鋼、雙向鋼、尼龍
排污閥:鑄鐵
密封圈:丁晴橡、膠硅橡膠、
控制箱: PVC
應用范圍
1、冷卻水處理——冷卻塔、補充水系統、空調系統、直流系統水過濾,減少熱交換器內沉淀物的產生,保持其冷卻效果。
2、原水處理——可對地表河水、湖水、海水、水庫水、井水及地下水進行過濾,除去沙子、細菌、藻類、有機物等等。
3、工業循環用水過濾——在對水質有一定要求的設備如:冷卻塔、軋機、連鑄機、拋光、水泵、電磁閥、離子交換器、噴霧器、熱交換器等或供排水管路上使用,可過濾掉水中雜質,避免管路、噴嘴等零部件堵塞。
4、灌溉——尤其適用于高流量、雜質含量高的水源,農業灌溉、噴灌,公園、高爾夫球場、草皮澆灌等。
5、造紙工業——白水過濾。
6、塑料工業——注塑冷卻循環水過濾。
7、膜預處理,樹脂預處理,超濾預處理。
8、海水淡化預處理過濾,海水養殖過濾

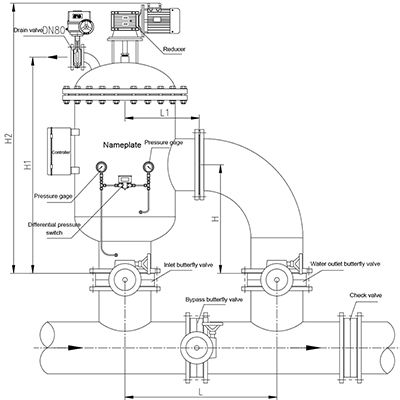
ST自清洗過濾器安裝方式:立式安裝
單臺流量:15-1800
m
3/h,更大流量可由多個單機并聯。
公稱壓力:1.0MPa、1.6MPa
工作壓力:0.20~1.2MPa
最高工作溫度:60℃
過濾精度:200-3500微米。
控制方式:壓差、時間及手動
清洗時間:35-120秒。
清洗機構轉速:14-20rpm
清洗方式:電動刷式清洗。
清洗壓損:0.01-0.08MPa
工作電壓:AC 380V,50HZ,三相四線,
控制電壓:AC220V ,50HZ
液晶顯示界面,人性化設計操作簡便
ST技術參數
| 型號 | 管徑 (mm) | 最大流量 (m3/h) | 過濾面積 (cm2) | 排污閥 (mm) | D (mm) | 一次清洗水量 (L) | 電機功率 (kW) | 重量 (kg) |
| ST-100 | DN100/10 | 80 | 3800 | DN50/10 | 325 | 130 | 0.55 | 230 |
| ST-125 | DN125/10 | 100 | 4500 | DN50/10 | 325 | 130 | 0.55 | 250 |
| ST-150 | DN150/10 | 150 | 4500 | DN50/10 | 325 | 130 | 0.55 | 260 |
| ST-200 | DN200/10 | 300 | 5100 | DN50/10 | 325 | 130 | 0.55 | 280 |
| ST-250 | DN250/10 | 400 | 9100 | DN50/10 | 400 | 180 | 0.75 | 420 |
| ST-300 | DN300/10 | 500 | 10000 | DN50/10 | 530 | 180 | 0.75 | 510 |
| ST-350 | DN350/10 | 800 | 14400 | DN50/10 | 620 | 200 | 0.75 | 650 |
| ST-400 | DN400/10 | 1000 | 17000 | DN80/10 | 720 | 250 | 0.75 | 760 |
| ST-500 | DN500/10 | 1800 | 30000 | DN80/10 | 920 | 250 | 0.75 | 950 |
表中流量精度為400um.其他技術參數請咨詢本公司,
安裝規格
| 型號 | ST-100 | ST-125 | ST-150 | ST-200 | ST-250 | ST-300 | ST-350 | ST-400 | ST-500 |
| H | 500 | 540 | 550 | 630 | 630 | 750 | 750 | 750 | 900 |
| H1 | 990 | 1070 | 1090 | 1200 | 1200 | 1360 | 1390 | 1480 | 1525 |
| H2 | 1120 | 1280 | 1300 | 1420 | 1450 | 1650 | 1750 | 1810 | 2120 |
| L | 650 | 700 | 650 | 700 | 850 | 950 | 1050 | 1300 | 1650 |
| L1 | 283 | 283 | 283 | 283 | 345 | 415 | 475 | 515 | 650 |